Sello Mecánico de Fuelle Metálico
TDSMB-A04 Sello Mecánico de Fuelle Metálico(Reemplaza AESSEAL BQFD)
Metal Bellows SealCategories:Sello Mecánico de Fuelle Metálico
We're here to help
Easy ways to get the answers you need.
Contact Now
Contact Now
- TEL:1-817-616-3296
- FAX: 1-817-616-3299
- Email:Info@TDSFluid.com
Related Product

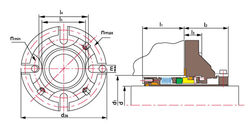
Límites de operación:
Presión: ≤2MPa
Velocidad: ≤20m/s
Temperatura: -30℃~+204℃
● Anillo giratorio (SiC/TC/Carbono)
● Anillo estacionario (SiC/TC)
● Sello secundario (VITÓN/Anillo encapsulado/PTFE)
● Fuelles metálicos (SUS316L/AM350/Inconel718/Titanio/Hastelloy-C/Aleación-20)
● Otras piezas (SUS304/SUS316/ Titanio/Hastelloy-C)
| d | d26 | l4 | l5 | l3 | d1 | n | m | l1 | l2 | ||
| (mm) | min | max | min | max | max | ||||||
| 24 | 104.8 | 54.0 | 49.2 | 13.2 | 41.0 | 49.0 | 67.0 | 90.5 | 12.0 | 38.9 | 40.5 |
| 25 | 104.8 | 54.0 | 49.2 | 13.2 | 41.0 | 49.0 | 67.0 | 90.5 | 12.0 | 38.9 | 40.5 |
| 28 | 108.0 | 57.2 | 52.4 | 13.2 | 44.0 | 52.3 | 70.3 | 93.6 | 12.0 | 38.9 | 40.5 |
| 30 | 111.0 | 60.4 | 55.6 | 13.2 | 46.0 | 55.5 | 73.5 | 96.8 | 12.0 | 38.9 | 40.5 |
| 32 | 111.0 | 60.4 | 55.6 | 13.2 | 48.0 | 55.5 | 73.5 | 96.8 | 12.0 | 38.9 | 40.5 |
| 33 | 111.0 | 60.4 | 55.6 | 13.2 | 49.0 | 55.5 | 73.5 | 96.8 | 12.0 | 38.9 | 40.5 |
| 35 | 111.0 | 63.5 | 58.8 | 13.2 | 51.0 | 57.5 | 76.6 | 96.8 | 12.0 | 38.9 | 40.5 |
| 38 | 127.0 | 71.5 | 65.0 | 16.4 | 57.2 | 60.4 | 85.7 | 114.3 | 12.0 | 42.9 | 44.5 |
| 40 | 127.0 | 71.5 | 65.0 | 16.4 | 58.0 | 60.4 | 85.7 | 114.3 | 12.0 | 42.9 | 44.5 |
| 43 | 139.7 | 81.0 | 71.4 | 16.4 | 61.0 | 69.9 | 95.3 | 127.0 | 12.0 | 42.9 | 44.5 |
| 45 | 139.7 | 81.0 | 71.4 | 16.4 | 63.5 | 69.9 | 95.3 | 127.0 | 12.0 | 42.9 | 44.5 |
| 48 | 139.7 | 81.0 | 71.4 | 16.4 | 66.7 | 73.0 | 95.3 | 127.0 | 12.0 | 42.9 | 44.5 |
| 50 | 152.4 | 90.5 | 77.8 | 16.4 | 68.0 | 76.2 | 104.8 | 139.7 | 12.0 | 44.5 | 44.5 |
| 3 | 152.4 | 90.5 | 77.8 | 16.4 | 71.0 | 76.2 | 104.8 | 139.7 | 12.0 | 44.5 | 44.5 |
| 55 | 165.1 | 96.8 | 84.1 | 16.4 | 74.0 | 82.5 | 114.3 | 149.2 | 16.0 | 44.5 | 44.5 |
| 58 | 165.1 | 96.8 | 84.1 | 16.4 | 76.2 | 82.6 | 114.3 | 149.2 | 16.0 | 44.5 | 44.5 |
| 60 | 165.1 | 96.8 | 84.1 | 16.4 | 79.4 | 85.7 | 114.3 | 149.2 | 16.0 | 44.5 | 44.5 |
| 63 | 177.8 | 109.5 | 96.8 | 19.6 | 85.8 | 92.1 | 127.0 | 160.3 | 16.0 | 51.6 | 47.7 |
| 65 | 177.8 | 109.5 | 96.8 | 19.6 | 88.9 | 95.3 | 127.0 | 160.3 | 16.0 | 51.6 | 47.7 |
| 68 | 177.8 | 109.5 | 96.8 | 19.6 | 92.1 | 98.4 | 127.0 | 160.3 | 16.0 | 51.6 | 47.7 |
| 70 | 177.8 | 109.5 | 96.8 | 19.6 | 92.1 | 98.4 | 127.0 | 160.3 | 16.0 | 51.6 | 47.7 |
| 75 | 190.5 | 125.4 | 108.0 | 19.6 | 98.5 | 108.0 | 142.9 | 173.0 | 16.0 | 54.6 | 47.7 |
| 80 | 190.5 | 125.4 | 108.0 | 19.6 | 101.6 | 111.1 | 142.9 | 173.0 | 16.0 | 54.6 | 47.7 |
| 85 | 203.2 | 135.0 | 117.5 | 19.6 | 108.0 | 117.5 | 155.6 | 182.5 | 20.0 | 54.6 | 47.7 |
| 90 | 215.9 | 150.8 | 127.0 | 19.6 | 114.3 | 127.0 | 171.5 | 195.2 | 20.0 | 54.6 | 47.7 |
| 95 | 215.9 | 150.8 | 127.0 | 19.6 | 117.5 | 130.2 | 171.5 | 195.2 | 20.0 | 54.6 | 47.7 |
| 100 | 228.6 | 168.3 | 136.5 | 19.6 | 123.9 | 139.7 | 188.9 | 207.9 | 20.0 | 54.6 | 47.7 |
Get Price And Support
Simply complete the form below, click submit, you will get the price list and a representative will contact you within one business day. Please also feel free to contact us by email or phone.









